Paper published at the 2017 EOS/ESD Symposium
Ilse Backers, Bart Sorgeloos, Benjamin Van Camp, Olivier Marichal, Bart Keppens
Sofics BV, 32 Sint-Godelievestraat, B-9880 Aalter, Belgium
phone: +32-9-21-68-333; fax: +32-9-3-746-846;
This paper is co-copyrighted by Sofics and the EOS/ESD-association
Sofics BVBA BTW BE 0472.687.037 RPR Oostende
Abstract
This paper presents a novel approach to reduce the parasitic capacitive loading of RF and high speed digital interfaces by up to 35%. Unlike in the classic dual diode protection, both junctions connected to the pad are used in every stress combination.
Introduction
A key tradeoff in RF and high-speed IO design is to achieve robust ESD protection while not affecting the performance under normal operation. This means that the parasitic capacitance at the IO pin due to the ESD clamp junction area and metallization should be as low as possible [1], [2].
A much-favored solution uses the dual diode concept [3], [4], [5] ([DD] Figure 1, left). This approach adds a diode for each current direction: a P+/Nwell diode from PAD for the positive stress, and an N+/Pwell diode from VSS for the negative stress.
One way to lower the junction capacitance is connecting 2 diodes in series (double dual diode [DD2] Figure 1, right). Note that for the diode down closest to PAD, DeepNwell is required, as the anode of the diode (P+ in Pwell) is otherwise shunted to the Psubstrate. Using an Nwell diode, the P-substrate–Nwell junction would be in parallel to the two series diodes, such that between VSS and PAD there would effectively be only one diode instead of two diodes.
For any ESD stress case, in these 2 configurations the current flows through only one junction connected to PAD: either the P+/Nwell junction or the N+/Pwell junction. This means that these junctions must be designed to handle all the ESD current, and that about half of the junction area that contributes to the total parasitic capacitance is not used in each ESD stress case: for positive stress at the PAD, all current flows through the diode up, and the diode down is not used; and similarly, for negative stress at the PAD, all current flows through the diode down, and the diode up is not used. In contrast, the protection concept proposed in this paper utilizes both junctions connected to PAD in every stress case. The concept will be evaluated based on the added parasitic capacitance as a function of the shunted ESD current, since the purpose is to provide both excellent RF performance and ESD robustness. The approach will be compared to the dual diode concept. In Section II, the concept will be explained and focus is put on the junction capacitance. In Section III, a product implementation example is shown, taking the metal capacitance into account. Some further investigations/optimizations are proposed in Section IV..

Improved low capacitance bipolar protection: LC-BIP
Concept
The problem stated by the customer is to develop a solution to protect a 1.8V input with as low capacitance as possible. Area is not considered a priority, as the design is core-limited. From this specification, we derive the most important Figure of Merit (FoM): It2/cap with a gate monitor in parallel to prove the effectiveness of the protection.
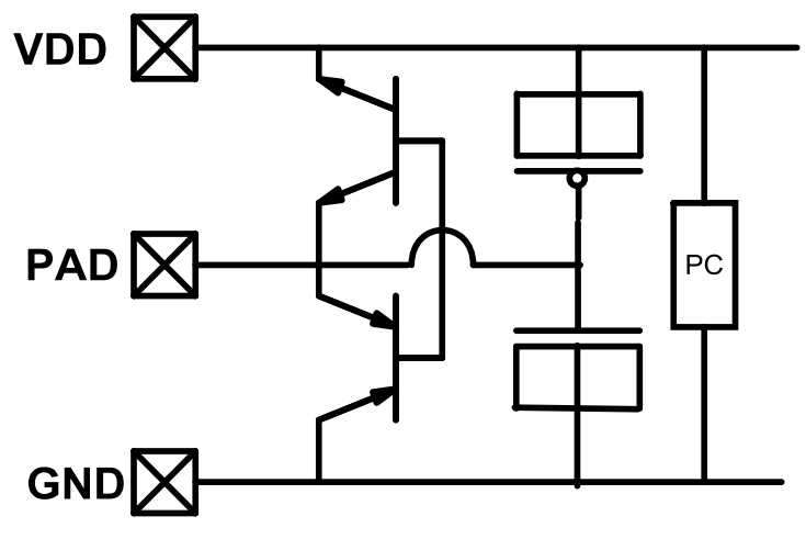
The proposed new protection scheme, shown in Figure 2, uses a configuration where both junctions shunt ESD current in every stress case.

It consists of two bipolar transistors connected to PAD, each responsible for about half of the current (in an ideal case) for each stress case. An NPN is connected between PAD and VDD and a PNP is inserted between PAD and VSS. The bases of the 2 transistors are coupled together. Note that the bipolar transistors can work in 2 directions: the emitter (collector) will function as collector (emitter) depending on the stress case. DeepNwell is required to isolate the Pwell of the NPN from the substrate. An illustrative cross-section of this low capacitance bipolar protection (LC-BIP) is shown in Figure 3. Note that the diode between VSS and VDD is already present in the layout due to the usage of DeepNwell.

A layout view of the NPN and PNP is shown in Figure 4 and Figure 5 respectively.


Working principle
Consider the stress between PAD and VSS, shown in Figure 6.
Initially, the current flows through two forward biased diodes: the base-emitter of the PNP, and the baseemitter of the NPN (Figure 6, a), and through the power clamp to ground. These base-emitter currents turn on both bipolars, i.e. the collectors will inject current as well, hence current can flow from PAD to VSS through the PNP (Figure 6, b) and to ground through the NPN and the power clamp. Figure 6, c).

As such, there are three current paths:
- One current path is through the emitter-base of the PNP, base-emitter of the NPN and through the power clamp to ground. This will be called Ib. (Figure 6a)
- A second current path flows through the emitter-collector of the PNP. This will be called Iecp. (Figure 6b)
- A third current path is through the collectoremitter of the NPN, and through the powerclamp to ground. This will be called Icen (Figure 6c)
It is clear that there is a relationship between Ib, Icen and Iecp based on the sizes of the bipolars, the beta’s of the PNP and NPN and the voltage drop over the power clamp. As accurate spice models for all these elements do not exist, this paragraph will be limited to a simple Spice simulation (Figure 7), only meant to illustrate the principle. Experimental test results are shown in the next paragraph.
In Table 1, a relative distribution of the currents is given, based on spice simulations, with varying beta’s for the PNP and NPN. For this experiment, the PNP and NPN were set at the same size, such that the beta’s is the main difference between the bipolars.


Some observations can be made:
- If the beta’s increase (from 10 to 20 for the NPN and from 3 to 6 for the PNP), less Ib is required.
- If the beta of the NPN is closer to the beta of the PNP, more current is shunted through the PNP.
These observations are completely in line with the expectations. Moreover, the last column suggests that a factor 2 difference between beta NPN and beta PNP leads to an equal current distribution over both bipolars though this cannot easily be achieved in silicon. Note that the total voltage is determined by the current path followed by Ib, and the both NPN and PNP transistors are expected to work in the saturation region.
An overview of all stress cases is given in Figure 8; in dashed lines the initial current is shown, flowing through the base-emitter junction of both bipolar transistors. The remainder of the current is divided over both bipolar transistors, as shown in the figure. Note that the diode between VSS and VDD can be added in the power clamp (PC), though one is already inherent in the present layout.
For normal operation, two diodes are present between both power rail and PAD. Though maybe troublesome at first sight a floating base is present. Although note that this is inherent in any diode string that contains a parasitic Darlington chain, and therefore this is not considered to be problematic.
Analysis of the improved low capacitance bipolar protection
On a 28nm test chip different dual diode and LC-BIP protection strategies have been tested. A power clamp has been added to measure the different stress cases. The power clamp chosen for all strategies was a 1.8V DTSCR [6], and a 1.8V input monitor was placed in parallel with the protection devices (Figure 9). The gate monitors have a measured breakdown voltage of about 10V-12V.

a: Stress between Pad and VSS
b: Stress between VDD and Pad
c: Stress between VSS and Pad
d: Stress between Pad and VDD
Figure 10 shows the TLP-IV curves of the dual diode protection (DD), the double dual diode (DD2) and the LC-BIP (with about 30% less junction area connected to pad as compared to the dual diode) for the PAD to VSS stress case. For completeness, the TLP result of the power clamp itself is shown as well.

The TLP curves also highlight the main drawback of the LC-BIP concept: the resistance between PAD and VSS is higher as compared to a classical dual diode. This leads to a lower TLP failure current. For the DD2 approach the increase in on-resistance is even larger, and subsequently, the It2 is even lower. However, the correct figure of merit shall be the ratio of the TLP current over the parasitic capacitance. The LC-BIP shows a failure current of almost 1.2A for only 50fF.

Figure 11 shows the TLP-IV curves of the low cap protections for the VSS to PAD stress case. These results show a lower on resistance for the LC-BIP compared to the DD2 approach. Indeed, the bipolar action creates a parallel current path, lowering the resistance.

A large reduction of capacitance is achieved for the same TLP performance [7], [8]. The capacitance values shown are the SPICE simulated parasitic junction capacitance values of the different strategies. Table 2 shows the junction capacitance value per ESD current (fF/A). The area, including P+ and Nwell guard rings, is included in the table for completeness.

Also, the parasitic junction capacitance of the LC-BIP shows good linearity over a range of voltage levels and for elevated temperatures.
Figure 12 shows the linearity of the parasitic junction capacitance for a classical dual diode (DD) and for the improved protection (LC-BIP) – for both 25°C and 85°C, and across a voltage sweep at the PAD from 0V to 2.0V with a supply voltage of 1.8V. The junction capacitance linearity for the improved low capacitance bipolar protection is obvious as is the insensitivity to temperature.

A VF-TLP analysis is done to evaluate the performance during a CDM event. The rise-time is set to 100ps, pulse width is set to 10ns. This is the most severe pulse that can be supplied with the system. The result is shown in Figure 13. From this plot, it can be seen that the same conclusion can be drawn from the VF-TLP data as compared to the regular TLP data: the It2 of the LC-BIP is lower as compared to the dual diode, but the fF/It2 is much better for the LC-BIP (41.7fF/A vs 64.7fF/A).

As the It2 of the VF-TLP measurement is slightly lower than the It2 of the TLP measurement, the waveforms are studied to investigate the overshoot. Comparison with dual diode is non-trivial, as the LCBIP has higher on-resistance, and therefore the voltage is higher for the same current level.
Based on the waveforms taken from the LC-BIP and DD at a same voltage level (~8V), shown in Figure 14, it can be seen that the overshoot voltage is the same for both approaches, just below 10V. The difference in current is similar to the difference in It2 in the regular TLP. Comparing the waveforms at a same current level (~0.5A), shown in Figure 15, we can conclude that the overshoot voltage is slightly higher for the LC-BIP, as could be expected. In fact, the (small) overshoot in both cases is mostly caused by the power clamp, and not by the diodes or the bipolars.
Note also that since the total turn on time is less then 400ps, VF-TLP measurements with 1ns or 2ns pulse width would yield similar IV curves. The small overshoot also explains the small difference between the VF-TLP and TLP IV curves.

It is concluded that both approaches have similar behavior during VF-TLP, and therefore, are expected to be similar during CDM as well, assuming they are both designed for the same current level.

Product integration
The LC-BIP scheme was introduced in a high-speed interface IO library. The device was scaled to achieve a specification of 1kV HBM. The capacitance for a 0V bias at the pad was as follows: the junction capacitance was 31fF and the 6 layer metal stack added 43fF, resulting in a total cap of about 74fF for a spec of 1kV HBM.

The result is shown in Figure 16 over 3 corners, and showing the linearity over a 1.8V swing.
Figure 17 shows the linearity of the capacitance over a frequency range up to 20 GHz, and this measured with a 2V bias at the PAD.

Based on VF-TLP analysis no intrinsic CDM issues with this IO are expected. Figure 18 shows similar PEX extraction with dual diode designed for 1kV HBM.

Further Optimizations
Further optimization of the approach is possible.
A first possible optimization is to study the bipolar devices for optimal layout. The number of contact rows for instance has influence on the junction capacitance for sure, but possibly also on the current capability and (more importantly) on resistance.
A second optimization consists of finding the ideal balance between NPN and PNP bipolar. As is well known, it can be expected that the NPN has a higher beta, and therefore the area can potentially be smaller as compared to the PNP. The ideal balance should take into account all four stress combinations
As shown, the current LC-BIP solution has about double the size of the dual diode approach. Though this was not a concern for the given application, further work can be done to optimize the balance between NPN and PNP over all stress cases to minimize total area
Furthermore, it will be studied if the approach can be ported to the LV domain, by lowering the total resistance.
Conclusions
A new protection concept [9] is introduced in which the utilization of the junctions connected to PAD during ESD is optimized to lower the junction capacitance. TLP and VF-TLP measurements highlight the ESD capabilities.
References
- [1] M.K. Radhakrishnan et al., “ESD Reliablity Issues in RF CMOS Circuits”, 2001
- [2] Feng K et al., “A comparison study of ESD protection for RFICs: performance versus parasitic”, 2000 IEEE RFI
- [3] R.M.D.A Velghe et al, “Diode Network Used as ESD Protection in RF Applications”, EOS/ESD Symposium, 2001
- [4] K. Bhatia et al., “Layout Guidelines for Optimized ESD Protection Diodes”, EOS/ESD Symposium, 2007
- [5] G. Boselli et al., “Analysis of ESD Protection Components in 65nm CMOS: Scaling Perspective and Impact on ESD Design Window, EOS/ESD Symposium, 2005
- [6] M. Mergens et al, “Diode-Triggered SCR (DTSCR) for RF-ESD Protection of BiCMOS SiGe HBTs and CMOS Ultra-Thin Gate Oxides”, IEDM 2003
- [7] E. R. Worley et al., “Optimization of Input Protection Diode for High Speed Applications”, EOS/ESD Symposium, 2002
- [8] S. Hyvonen et al., “Diode-Based Tuned ESD Protection for 5.25-GHz CMOS LNAs”, EOS/ESD Symposium, 2005
- [9] US 8,283,698 Electrostatic Discharge Protection

Leave a Reply