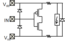
The ‘Dual diode’ approach is one of the most used on-chip and off-chip concept for ESD protection of IO interfaces. It is simple to implement, smaller than any other IO/ESD concept, has a low parasitic capacitance and low leakage.

Especially the ‘diode up’, from IO-pad to VDD can create a lot of problems in the functional operation of Internet of Things (IoT) circuits. There are basically 3 main reasons why the ‘dual diode’ concept is causing trouble.
1. High signal voltage
Several IoT systems include sensor or actuator interfaces that come with special signal conditions. If the signal voltage from the sensor is higher than the supply voltage the diode from IO-pad to VDD causes an unwanted current flow from the sensor to VDD.

2. Open drain communication
In many IoT systems ICs share a common communication channel. The I²C concept for instance is used a lot in sensor communication. It is a multi-master, multi-slave, single-ended, serial computer bus invented by Philips Semiconductor (now NXP Semiconductors). It is a cheap approach because it only requires 2 pins per IC to connect to the shared bus. The system can operate even when some of the components on the bus are powered down or when ICs use different supply voltage levels (3.3V, 5V or 1.8V).

It is not possible to include a diode from SDA or SCL pads to Vdd unless all connected devices remain powered and use the same supply voltage.
3. Powering down sub-systems
To reduce the total standby leakage of IoT systems, typically only a small part of the system is ‘awake’ all the time. All the other circuits are turned off most of the time. The entire system is only running when there is new data available.

Traditional ESD protection like ‘dual diode’ could ruin the power-saving efforts because signals applied on the I/O circuits can power-up a functional block that is not required at that time. The same issue can be seen inside the SoC. IC designers frequently use dual diode protection when different domains across the chip communicate. Without such protection the sensitive receivers can be damaged. But when sub-systems are powered down another protection approach is needed.
More information?
It is clear that the traditional diode-based ESD protection for IOs creates problems in IoT applications. Fortunately there are many different concepts that IC designers can use. Read further to learn how to select the most appropriate solution for your application.
- In a 2011 peer-reviewed publication, Sofics summarized 6 different concepts [Link] to replace the dual diode concept. Or you can read another blog post [Link]
- Contact us if you like to discuss which approach is the best for your application

2 responses to “3 problems with diode based ESD protection”
[…] Read about the 3 cases where dual-diode based ESD protection is not feasible [Link] […]
[…] are several issues (link) with this […]